Котломоечная машина Krupps Koral K1600E используется на предприятиях общественного питания и торговли для мойки тарелок, стаканов, бокалов, столовых приборов, а также гастроемкостей и противней. Модель оснащена 4 циклами мойки.
В комплект поставки входят корзины: из нержавеющей стали, для противней с 5 делениями и 3 держателя: в кассету на 13 тарелок и для приборов с 8 ячейками.
Особенности:
- Панель управления с сенсорным ЖК-дисплеем из закаленного стекла
- Автоматическая установка всех параметров при первой установке
- Автодиагностика с сообщением о возможных обнаруженных неисправностях и способах их устранения
- Запуск цикла Push to start обеспечивает меньшее энергопотребление
- Дифференцированное тарирование дозаторов моющего и ополаскивающего средств, температуры ванны и бойлера
- Точная регулировка температуры и дозирования
- Интегральные фильтры ванны
- Штампованная закругленная ванна
- Экономия энергии и моющего средства
- Легко извлекаемый держатель корзины
- Использование круглых корзин без дополнительных держателей
Дополнительные характеристики:
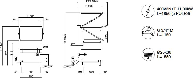
- Температура подключаемой воды: 55 °C
- Размер кассеты: 600x670x100 мм
- Максимальная высота кастрюли: 400 мм
- Расход:
- Ополаскивающее средство: 0,3 л/ч
- Моющее средство: 3 л/ч
- Вода за цикл: 2 л
- Давление: 2 бара
- Мощность:
- ТЭН бойлера: 9 кВт
- ТЭН ванны: 4,5 кВт
- Моющий насос: 2 / 2,7 кВт
- Габариты в упаковке: 880x1080x1500 мм
- Объем в упаковке: 1,43 м3
Опции (заказываются отдельно):
- Напряжение: 220 В
- Встроенный на заводе насос давления 0,5 л.с. CA500
- Встроенный на заводе сливной насос 0,19 кВт DP53
- Насос давления 0,5 л.с. CA500K
- Сливной насос 0,19 кВт DP53K
- ТЭН бойлера 6 кВт HP60
- ТЭН бойлера 12 кВт HP120
- Регулируемые ножки из нержавеющей стали 50-70 мм 3294
- Насадка-держатель в кассету для приборов из нержавеющей стали 1180
- Автоматический электронный умягчитель воды 16 л ADD 16
- Автоматический электронный умягчитель воды 12 л ADD 12
- Механический умягчитель воды 20 л DEP 20
- Механический умягчитель воды 16 л DEP 16
- Бак break-tank с подогревом BT100
- Набор контрольно-измерительных инструментов KIT100
- Душирующее устройство DOC100
- Душирующее устройство + дополнительный кран DOC200
- Угловой бортик (780x100x150 мм) 7MT10
- Стол для чистой посуды с нижней полкой (800x700x850 мм) 7PL80
- Стол для чистой посуды с нижней полкой (800x770x850 мм) 8PL80
- Стол для чистой посуды с нижней полкой (1200x770x850 мм) 8PL120
- Стол для чистой посуды с нижней полкой (1200x700x850 мм) 7PL120
- Стол предмойки с ванной и нижней полкой (1200x890x850 мм) 9PLV120
- Стол предмойки с ванной, отверстием и нижней полкой (1500x890x850 мм) 9PLVF150
Внимание! Изображение товара может отличаться от оригинала и представлено в
ознакомительных целях.